Abteilung Wasserressourcen und Trinkwasser
Mikrobielle Dynamik in unterirdischen Umgebungen
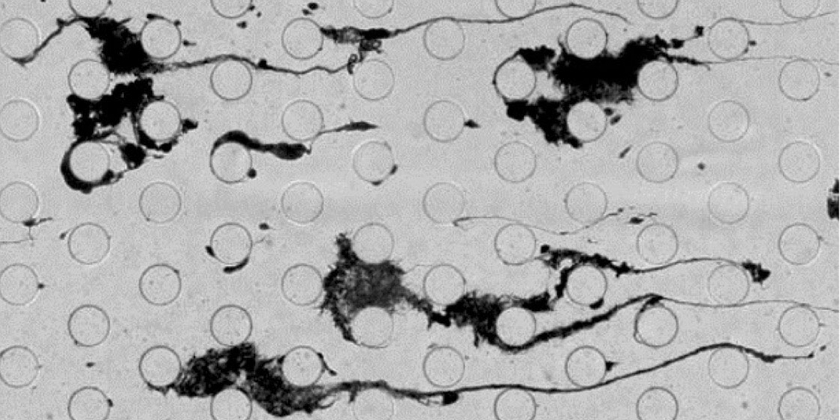
Reference: Kurz, D.L., Secchi, E., Carrillo, F.J., Bourg, I.C., Stocker, R., and Jiménez-Martínez, J. (2022) Competition between growth and shear stress drives intermittency in preferential flow paths in porous media biofilms. Proc. Nat. Acad. Sci. doi: 10.1073/pnas.2122202119
Dieses Projekt untersucht, wie Mikroorganismen mit komplexen physikalischen und chemischen Umgebungen in Böden und Grundwasserleitern interagieren, wo sich die Strömungsverhältnisse und geochemischen Bedingungen ständig ändern. Das Verständnis dieser abiotisch-biotischen Wechselwirkungen ist für Prozesse wie die biologische Sanierung und Biomineralisierung von entscheidender Bedeutung. Mit innovativen experimentellen und analytischen Ansätzen untersucht diese Forschung das Verhalten von Mikroorganismen über verschiedene Maßstäbe hinweg – von einzelnen Zellen bis hin zu ganzen Gemeinschaften. Auf Einzelzellniveau untersuchen wir, wie chemotaktische Bakterien mit der Heterogenität der Nährstoffe umgehen, und zeigen, dass ihre Fähigkeit, sich um Nährstoff-Hotspots zu gruppieren, von den lokalen Strömungsbedingungen und der physikalischen Struktur abhängt. Auf Gemeinschaftsebene untersuchen wir, wie mikrobielles Wachstum und Biofilmbildung poröse Medien umgestalten und dynamische Strömungswege erzeugen. Dies sind entscheidende Faktoren, die den Transport von gelösten Stoffen und mikrobielle Reaktionen beeinflussen. Insgesamt wird dieses Projekt unser Verständnis der mikrobiellen Prozesse in unterirdischen Ökosystemen und ihrer Rolle bei der Regulierung wichtiger biogeochemischer Kreisläufe verbessern und neue Perspektiven für Umwelt- und technische Anwendungen wie das Grundwasserqualitätsmanagement und die nachhaltige Rückgewinnung von Ressourcen eröffnen.
Partner
- Eleonora Secchi ETH Zurich
- Roman Stocker ETH Zurich